DISEÑO DE ELEMENTOS DE MÁQUINAS I

DISEÑO DE ELEMENTOS DE MÁQUINAS I

Jorge F. Ma San Zapata (CV)
Universidad Nacional de Piura

Volver al índice

5.14.-TENSIONES EN UNIONES SOLDADAS

Uniones a tope.  En la figura 5.14 puede verse una soldadura sencilla con el surco en V, sometida a la tracción F.  Para la carga de tracción o compresión, la tensión normal media es:
                                                                                (Ec. 5.23)
En donde h es la garganta de la soldadura y l, su longitud.  Obsérvese que el valor de h no incluye el refuerzo, que resulta conveniente con objeto de compensar los defectos o grietas pero, como resulta variable, produce concentración de tensiones en el punto A de la figura.



Fig. 5.14: Unión a tope, típica.

  


Si existen las cargas de fatiga, es buena práctica el eliminar por mecanizado o rectificado dicho refuerzo. La tensión media en una soldadura a tope debida a la carga de cizalladura es:
                                                                                                         (Ec. 5.24)

Soldaduras en ángulo o de filete.  La distribución de las tensiones en las soldaduras en ángulo se ha investigado por procedimientos fotoelásticos, pero los intentos de resolver el problema por los métodos de la teoría de la elasticidad no han tenido apenas éxito.  El modelo de la soldadura transversal en ángulo de la figura 5.15 se construye fácilmente para ensayos fotoelásticos y tiene la ventaja de una condición de carga equilibrada.

Norris construyó este modelo y anotó la distribución de tensiones a lo largo de las caras AB y BC de la soldadura.  Un gráfico aproximado de los resultados que obtuvo se muestra en la figura 5.16. Obsérvese que existe concentración de tensiones en A y B, en la cara horizontal, y en B en la vertical.  Norris indicó que no podía determinar las tensiones en A y B con certidumbre.

Fig.5.16: Distribución aproximada de tensiones sobre las caras de la soldadura de filete de la figura 5.15, según Norris.

 
Salakian ha presentado datos de la distribución de tensiones a través de la garganta de la soldadura (fig. 5.17).  Este gráfico es de interés particular, porque los proyectistas y analistas de tensiones suponen normalmente que el fallo se verifica en la garganta al determinar la resistencia de una soldadura.  De nuevo, la figura muestra concentración de tensiones en el punto B.  Obsérvese que la figura 5.16 se aplica al metal de la soldadura o al metal matriz.  La figura 5.17, naturalmente, da la distribución de tensiones solo en la soldadura.

No existe ningún método analítico de obtener las tensiones a partir de estas dos figuras.  Por consiguiente utilizaremos los métodos desarrollados anteriormente en este libro, es decir, dimensionando las secciones rectas a las áreas, de modo que resulten unas tensiones nominales o medias satisfactorias y, cuando las uniones están sometidas a cargas de fatiga, por aplicación de los coeficientes de reducción de resistencia, por fatiga Kf a la resistencia del metal de soldadura o de los elementos matrices, según para qué conjunto se hayan hecho los cálculos.

La unión a solape sometida a tracción de la figura 5.18 tiene un área de garganta de 0,707hl por cada soldadura.  El método empleado más a menudo para este problema es el de suponer que la sección de la garganta está sometida a cizalladura. 
La tensión media es entonces:
                                                                                           (Ec. 5.25)
Nótese especialmente que las palabras “tensión media” significan que hemos supuesto que esta tensión está uniformemente distribuida en el área total.


 Además, puesto que ésta es la tensión empleada para dimensionar la soldadura, el empleo de esta ecuación implica que se ha supuesto que todas las tensiones normales en la garganta son cero.  Esto está lejos de ser cierto, como se evidencia por los resultados experimentales de la figura 5.17.  Sin embargo, si la ecuación se emplea con las tensiones  máximas permitidas por las diversas normas de construcción, las soldaduras resultantes son perfectamente seguras.


Fig. 5.18: Unión a solapa de doble filete

  


No obstante, pueden obtenerse economías, si se estudian otras aproximaciones racionales.
En el caso de soldaduras de filete paralelas (fig. 5.19), la suposición de una tensión de corte a lo largo de la garganta es más real.  Puesto que hay dos soldaduras, el área de la garganta para ambas es A=(2)(0,707hl)=1,414 hl.  La tensión de corte media es pues, =F/1.414hl.  Es muy probable que la distribución de tensiones a lo largo de la longitud de las soldaduras no sea uniforme.

Fig. 5.19: Soldaduras de filetes paralelos.

  


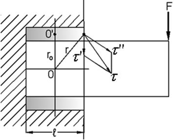
Un tipo de conexión soldada que se encuentra con mucha frecuencia en el proyecto de máquinas es el que se ilustra en el voladizo de la figura 5.20.  Las reacciones en el soporte son un esfuerzo cortante V y un momento M.  El efecto de estas reacciones es el de producir tensiones de corte primarias y secundarias en las soldaduras.  Estas tensiones deben sumarse vectorialmente, como en las conexiones  remachadas cargadas excéntricamente, con objeto de obtener la tensión resultante que actúa sobre cada soldadura.

Las tensiones primarias se obtienen como se ha descrito previamente.  La tensión secundaria se obtiene independientemente para cada soldadura del grupo.  Sea el punto O en la figura 5.20 el centro de gravedad del grupo con r como el radio de cualquier punto de una de las soldaduras.


 

Fig.5.20: Conexión con momento

 

 

La tensión secundaria se obtiene de la fórmula de la torsión y puede escribirse:
                                                                                                      (Ec. 5.26)
En la que J es el momento polar de inercia de la soldadura respecto al punto O.  La tensión máxima, naturalmente, aparecerá donde r sea máximo.  El momento polar de inercia se obtiene de la fórmula de Steiner,
                              (Ec. 5.27)
En la que:
Área de la garganta de cada soldadura
Momento polar de inercia de la soldadura alrededor de su propio centro de gravedad O’
Distancia desde O’ al centro de gravedad O del grupo.